Part Number Hot Search : 
2N1615 1N6271 ST5R25U MC6809P CES388 BCM20 BXP9064 SDR959N
Product Description
Full Text Search

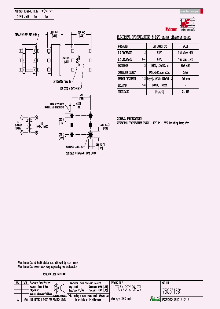
750311691 - TRANSFORMER

750311691_8187783.PDF Datasheet


 Full text search : TRANSFORMER
 Product Description search : TRANSFORMER


 Related Part Number
PART Description Maker
DPC-24-1000B20 DPC-10-1000B3 DPC-10-440B2 DPC-16-7 POWER TRANSFORMER, 24 VA
POWER TRANSFORMER, 10 VA
POWER TRANSFORMER, 4.4 VA
POWER TRANSFORMER, 1.2 VA
POWER TRANSFORMER, 1 VA
Low Frequency, Open-Style Laminated Concentric Vertical Profile, PC Plug-In Series
Pulse Electronics, Corp.
PULSE ELECTRONICS CORP
Pulse A Technitrol Company
Pulse A Technitrol Comp...
B0226-EL B0226-ELD B0226-ELB Flyback Transformer
Transformer, for ON NCP1030, SMT, RoHS SMPS TRANSFORMER
Coilcraft lnc.
Coilcraft, Inc.
LM-NP-1001-B1L LM-LP-1001L LM-NP-1002L BOURNSINC-L MAGNETICS-LINE-MATCHING TRANSFORMER TELECOM TRANSFORMER
MAGNETICS-LINE-MATCHING TRANSFORMER-LF TELECOM TRANSFORMER
Transformers 1KHz 66ohm 10% line matching trans TELECOM TRANSFORMER
Bourns, Inc.
BOURNS INC
Y8844-AL Z9260-AL NOT RoHS. Transformer, for ON NCP1200, 3.5W (add 'L' for compliant version) 3.5 W, SMPS TRANSFORMER
Transformer, for ON NCP1200, 70W, RoHS 67 W, SMPS TRANSFORMER
Coilcraft, Inc.
EPE6045SE EPE6045SE-LF DATACOM TRANSFORMER FOR 10 BASE-T APPLICATION(S) LEAD FREE
10Base-T Isolation Transformer
Samsung Semiconductor Co., Ltd.
PCA ELECTRONICS INC.
S553-6500-40 HIGH FREQUENCY MAGNETICS T1/E1 Octal Transformer Modules TELECOM TRANSFORMER
Bel Fuse, Inc.
HA3801-AL HA3802-AL HA3803-AL HA3801-ALB HA3801-AL Flyback Transformers
Transformer, for TI TPS23753, SMT, RoHS 10 W, SMPS TRANSFORMER
Coilcraft lnc.
Coilcraft, Inc.
COILCRAFT INC
FA2925-AL FA2924-AL FA2805-CL FA2925-ALB Flyback Transformers
PoE transformer, for Si3400/3401, SMT, RoHS 15 W, SMPS TRANSFORMER
Coilcraft lnc.
Coilcraft, Inc.
B0392-ALD Transformer, for TI UCC3580, SMT, RoHS 100 W, SMPS TRANSFORMER
Coilcraft, Inc.
COILCRAFT INC
MABAES0032 Transformer, 1:1 Transmission Line Transformer 5 to 1000 MHz
M/A-COM Technology Solutions, Inc.
 
 Related keyword From Full Text Search System
750311691 Hex 750311691 laser diode 750311691 GaAs Hall Device 750311691 amp 750311691 package
750311691 资料网站 750311691 informacion de 750311691 fairchild 750311691 gate 750311691 ethernet transceiver
 

 

Price & Availability of 750311691

All Rights Reserved © IC-ON-LINE 2003 - 2022  

[Add Bookmark] [Contact Us] [Link exchange] [Privacy policy]
Mirror Sites :  [www.datasheet.hk]   [www.maxim4u.com]  [www.ic-on-line.cn] [www.ic-on-line.com] [www.ic-on-line.net] [www.alldatasheet.com.cn] [www.gdcy.com]  [www.gdcy.net]


 . . . . .
  We use cookies to deliver the best possible web experience and assist with our advertising efforts. By continuing to use this site, you consent to the use of cookies. For more information on cookies, please take a look at our Privacy Policy. X
1.8958899974823