Part Number Hot Search : 
AD7868BN FLR730F WS7805 ACX470K1 22000 00103 AN137 BLF871
Product Description
Full Text Search

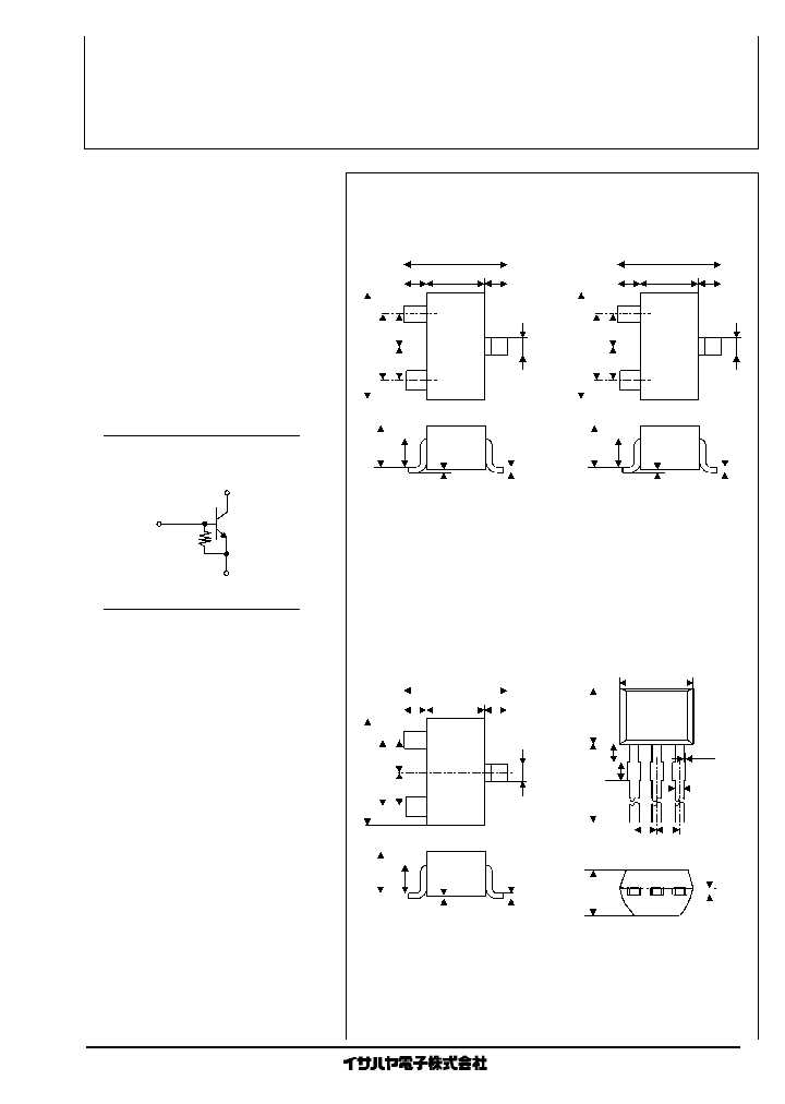
RT1N44BM - TRANSISTOR From old datasheet system

RT1N44BM_415397.PDF Datasheet


 Full text search : TRANSISTOR From old datasheet system
 Product Description search : TRANSISTOR From old datasheet system


 Related Part Number
PART Description Maker
BB1 BB1A4A BB1A4M BB1L3N BB1A3M BB1F3P BB1J3P BB1L COMPOUND TRANSISTOR on-chip resistor NPN silicon epitaxial transistor For mid-speed switching
Hybrid transistor
NEC Corp.
NEC[NEC]
SPP12N50C3 SPI12N50C3 SPA12N50C3 SPB12N50C3 Cool MOSPower Transistor 酷马鞍山⑩功率晶体管
for lowest Conduction Losses & fastest Switching
COOL MOS⒙ POWER TRANSISTOR
Cool MOS⑩ Power Transistor
Cool MOS Power Transistor
Cool MOS?/a> Power Transistor
INFINEON[Infineon Technologies AG]
BFP620E7764 RF-Bipolar - NPN Silicon Germanium RF Transistor, high gain low noise RF transistor in SOT343 Package
C BAND, Si, NPN, RF SMALL SIGNAL TRANSISTOR
Infineon Technologies AG
FN1A4Z FN1A4Z-L FN1A4Z-T2B FN1A4ZM69 100 mA, 50 V, PNP, Si, SMALL SIGNAL TRANSISTOR MINIMOLD, SC-59, 3 PIN
MEDIUM SPEED SWITCHING RESISTOR BUILT-IN TYPE PNP TRANSISTOR MINI MOLD
Compound transistor
Honeywell International, Inc.
NEC
AT-42036 AT-42036-TR1 AT-42036-BLK AT-42036 · General purpose transistor
Agilent AT-42036 Up to 6 GHz Medium Power Silicon Bipolar Transistor
TRANSISTOR | BJT | NPN | 12V V(BR)CEO | 80MA I(C) | MICRO-X
Agilent (Hewlett-Packard)
HP[Agilent(Hewlett-Packard)]
CP305 Chip Form: SILICON TRANSISTOR
Small Signal Transistor NPN - High Current Transistor Chip
CENTRAL[Central Semiconductor Corp]
IPP100N04S2-04 IPB100N04S2-04 SP0002-19061 SP0002- OptiMOSPower-Transistor 的OptiMOS㈢功率晶体管
OptiMOS? Power-Transistor
OptiMOS㈢ Power-Transistor
100 A, 40 V, 0.0036 ohm, N-CHANNEL, Si, POWER, MOSFET, TO-220AB GREEN, PLASTIC, TO-220, 3 PIN
Infineon Technologies AG
MUN2111T1G MUN2111T1 MUN2140T1 DTA144W MUN211 MUN2    Bias Resistor Transistor
Bias Resistor Transistor 100 mA, 50 V, PNP, Si, SMALL SIGNAL TRANSISTOR
DIODE ZENER SINGLE 150mW 27Vz 2mA-Izt 0.0704 0.1uA-Ir 18.9 SOT-523 3K/REEL
LED 2HI 5MM SUP BRIGHT GRN PCMNT
BRT Transistor PNP
ONSEMI[ON Semiconductor]
CP617 Small Signal Transistor PNP - Silicon RF Transistor Chip
Chip Form: RF TRANSISTOR
Central Semiconductor Corp
CP618 Small Signal Transistor PNP - Silicon RF Transistor Chip
Chip Form: RF TRANSISTOR
Central Semiconductor Corp
 
 Related keyword From Full Text Search System
RT1N44BM 参数网 RT1N44BM BLDC motor driver RT1N44BM Integrate RT1N44BM Interface RT1N44BM Purpose
RT1N44BM products RT1N44BM protection RT1N44BM voltage RT1N44BM hot RT1N44BM Integrated
 

 

Price & Availability of RT1N44BM

All Rights Reserved © IC-ON-LINE 2003 - 2022  

[Add Bookmark] [Contact Us] [Link exchange] [Privacy policy]
Mirror Sites :  [www.datasheet.hk]   [www.maxim4u.com]  [www.ic-on-line.cn] [www.ic-on-line.com] [www.ic-on-line.net] [www.alldatasheet.com.cn] [www.gdcy.com]  [www.gdcy.net]


 . . . . .
  We use cookies to deliver the best possible web experience and assist with our advertising efforts. By continuing to use this site, you consent to the use of cookies. For more information on cookies, please take a look at our Privacy Policy. X
1.2262110710144