Part Number Hot Search : 
XN01504 T551306 HY5DU561 UF100 LS202 30153 Z3PK845H AN48841B
Product Description
Full Text Search

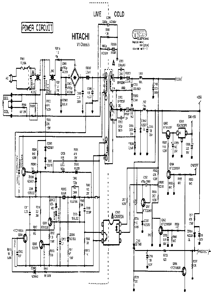
ON4959 - Power Circuit with ON4959

ON4959_405366.PDF Datasheet

 
Part No. ON4959
Description Power Circuit with ON4959

File Size 82.04K  /  1 Page  

Maker


Hitachi Semiconductor



JITONG TECHNOLOGY
(CHINA HK & SZ)
Datasheet.hk's Sponsor

Part: ON4959
Maker: PANASONI(松下)
Pack: TO-220
Stock: 342
Unit price for :
    50: $0.55
  100: $0.53
1000: $0.50

Email: oulindz@gmail.com

Contact us

Homepage http://www.renesas.com/eng/
Download [ ]
[ ON4959 Datasheet PDF Downlaod from Datasheet.HK ]
[ON4959 Datasheet PDF Downlaod from Maxim4U.com ] :-)


[ View it Online ]   [ Search more for ON4959 ]

[ Price & Availability of ON4959 by FindChips.com ]

 Full text search : Power Circuit with ON4959
 Product Description search : Power Circuit with ON4959


 Related Part Number
PART Description Maker
AAT3532 AAT3532IAS-B1 AAT3532IAS-T1 MicroPower?/a> Microprocessor Reset Circuit
MicroPower⑩ Microprocessor Reset Circuit
MicroPower Microprocessor Reset Circuit
TRANSFORMER, 250VA, 2 X 60-55-0-55-60; Power, AC:250VA; Voltages, primary:0-240-380-415; Voltages, secondary:60-55-0-55-60, 60-55-0-55-60; Power, per secondary winding:125VA; Centres, fixing LxW:92 x 75 x 6 dia; Depth, RoHS Compliant: Yes
MicroPowerMicroprocessor Reset Circuit
Quad 2-input positive-AND gates with open collector outputs 14-PDIP 0 to 70 微功耗微处理器复位电路⑩
ANALOGICTECH[Advanced Analogic Technologies]
Advanced Analogic Technologies, Inc.
NTE7154 Integrated Circuit Control Circuit for Switch Mode Power Supplies using MOS Transistors
NTE[NTE Electronics]
NTE1672 Integrated Circuit Power Supply Control Circuit
NTE[NTE Electronics]
AAT3524IGY-4.38-200-T1 AAT3520 AAT3520IGY-2.32-200 1-CHANNEL POWER SUPPLY SUPPORT CKT, PDSO3
MicroPower Microprocessor Reset Circuit
MicroPower垄芒 Microprocessor Reset Circuit
MicroPower⑩ Microprocessor Reset Circuit
AAT[Advanced Analog Technology, Inc.]
Advanced Analogic Technologies
SG3543 SG3543DW SG3543J SG3543N SG2543 SG2543DW SG POWER SUPPLY OUTPUT SUPERVISORY CIRCUIT 1-CHANNEL POWER SUPPLY SUPPORT CKT, CDIP16
Power Supply - Precision Output Supervisory Circuit
From old datasheet system
Microsemi, Corp.
MICROSEMI[Microsemi Corporation]
FJV4103R FJV4103RMTF Switching circuit, Inverter, Interface circuit, Driver Circuit
PNP Epitaxial Silicon Transistor
FAIRCHILD[Fairchild Semiconductor]
Q62702-C2255 NPN Silicon Digital Transistor (Switching circuit, inverter, interface circuit, driver circuit)
SIEMENS AG
BCR185W Q62702-C2280 PNP Silicon Digital Transistor (Switching circuit, inverter, interface circuit, driver circuit)
From old datasheet system
SIEMENS AG
Infineon Technologies AG
SIEMENS[Siemens Semiconductor Group]
BCR198W Q62702-C2283 From old datasheet system
PNP Silicon Digital Transistor (Switching circuit, inverter, interface circuit, driver circuit)
SIEMENS[Siemens Semiconductor Group]
BCR116 Q62702-C2337 From old datasheet system
NPN Silicon Digital Transistor (Switching circuit, inverter, interface circuit, driver circuit)
SIEMENS[Siemens Semiconductor Group]
BCR158W From old datasheet system
PNP Silicon Digital Transistor (Switching circuit, inverter, interface circuit, driver circuit)
SIEMENS[Siemens Semiconductor Group]
 
 Related keyword From Full Text Search System
ON4959 Outputs ON4959 Differential ON4959 gate ON4959 vishay ON4959 informacion de
ON4959 State ON4959 device ON4959 filetype:pdf ON4959 step ON4959 gain
 

 

Price & Availability of ON4959

All Rights Reserved © IC-ON-LINE 2003 - 2022  

[Add Bookmark] [Contact Us] [Link exchange] [Privacy policy]
Mirror Sites :  [www.datasheet.hk]   [www.maxim4u.com]  [www.ic-on-line.cn] [www.ic-on-line.com] [www.ic-on-line.net] [www.alldatasheet.com.cn] [www.gdcy.com]  [www.gdcy.net]


 . . . . .
  We use cookies to deliver the best possible web experience and assist with our advertising efforts. By continuing to use this site, you consent to the use of cookies. For more information on cookies, please take a look at our Privacy Policy. X
1.7065510749817